techXXX
Understanding the Toyota–Aisin 8-Speed Automatic Transmission (AA80E / TL-80SN)
The Toyota–Aisin AA80E remains the most robust and reliable 8- and higher-speed transmission. Today, I analyze the advantages and trade-offs of its design and delve into how its gear train works.
Published by Dr Jiulin Teng on 25 Dec 2025 · Updated on 26 Dec 2025

Debuted in the Lexus LS460, the Toyota–Aisin AA80E was the world’s first 8-speed automatic transmission for passenger vehicles. It remains the most robust and reliable 8- and higher-speed transmission with one of the smoothest gearshifts. Today, let us analyze the advantages and trade-offs of its design and delve into how its gear train works. The information is based on a technical paper published by Toyota and Aisin specifically on the AA80E. Further variations of this transmission, including FWD applications, are based on the same concept.
Advantages
1. Gear Train Simplicity. With just two gearsets, one simple planetary gearset and one Ravigneaux gearset, the Toyota–Aisin gets 8 forward gears. This is mechanically elegant and efficient. It also does not need large drums that are fragile and inefficient in the ZF 8HP and later designs.
2. Dual Clutch-to-Clutch Shift Control. While the operation chart of the Toyota–Aisin shows one friction element released and one engaged between each gearshift, in operation two other friction elements, usually one brake and one clutch, are also partially engaged and then disengaged. This torque-balances the planetary gearsets, resulting in extremely smooth shifts, low reliance on TCC slip, and less dependence on engine torque cuts. The transmission is therefore very durable. In comparison, the ZF 8HP relies heavily on TCC slip and engine torque cuts and is less durable.
3. Conservative TCC Lock-Up. The Toyota–Aisin starts using the torque converter lock-up clutch only from 4th gear. It also can lock up the TCC fully from 5th. In comparison, the ZF 8HP starts slipping the TCC in 1st gear and never locks up fully.

Trade-Offs
1. Calibration. While the Toyota–Aisin is an exceptional transmission, its shift control strategy is much harder to calibrate. This is one of the main reasons why the ZF 8HP has been commercially more successful, as it is easier to calibrate across wildly different vehicles. Toyota, on the other hand, mostly pairs the AA80E with a naturally-aspirated V8 in a much smaller number of cars.
2. Scaling. While mechanically elegant, the Toyota–Aisin with its complex gearset and more direct friction element distribution, which allows it to not use the large drums, cannot be mechanically scaled up easily. The ZF 8HP can easily be scaled up with more friction plates and larger planet gears. This is another reason why the ZF can be widely used.
3. Torque Load Reversal. While the gear train is elegant, the torque load reverses in the Ravigneaux gearset between shifts. This is why dual clutch-to-clutch shift control is required and why this transmission is generally slower than the ZF 8HP.
4. Neutral Control. To reduce fuel consumption, the Toyota–Aisin has neutral control when the vehicle is in gear while standing still. It would weaken the engagement of C1 clutch so that the turbine speed of the torque converter comes close to the impeller speed. While saving some fuel, this adds to wear in the C1 clutch.
Torque Paths
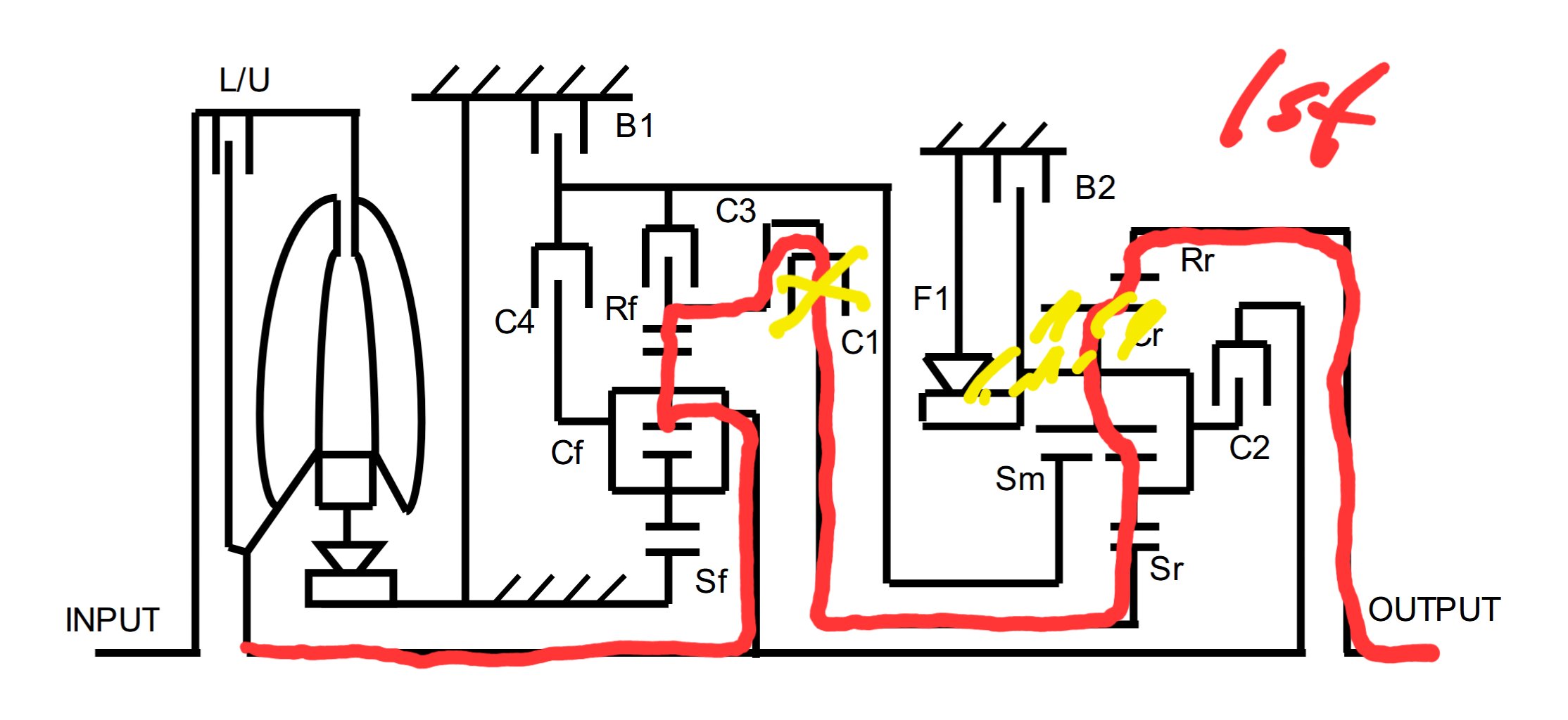
To see how this transmission works, let us examine its gear train configuration in the schematic. In this figure, C1 through C4 are the Clutches, B1 and B2 the Brakes. Sf, Sm, and Sr are the front, middle, and rear Sun gears; Cf and Cr the front and rear planet Carriers; and Rf and Rr the front and Rear ring gears. F1 is the one-way clutch. To note:
- The input shaft is splined into the intermediary shaft, which is a main difference from the Lepelletier design used in the ZF 6HP. This allows the front planet carrier (Cf) to be driven permanently and, with C2, the rear planet carrier (Cr) to be driven optionally.
- The front sun gear (Sf) is fixed to the oil pump stator and never turns.
- In the Ravigneaux gearset, the pinons or planet gears that mesh with the middle (Sm) and rear (Sr) sun gears are different. Importantly, only the pinons that mesh with Sm is meshed to the rear ring gear (Rr). The pinons that mesh with the Sr are different, and they are meshed to the pinons for Sm. I will use Pm and Pr in the following discussion to indicate the middle and rear pinons. This is the most important aspect when it comes to understanding how this transmission works.
- The output shaft is connected to the rear ring gear (Rr).

In the first gear, torque goes through Cf > Rf > C1 > Sr > Pr > Pm > Rr. The one-way clutch brakes the rear planet carrier (Cr), which forces the middle planet gears (Pm) to turn.

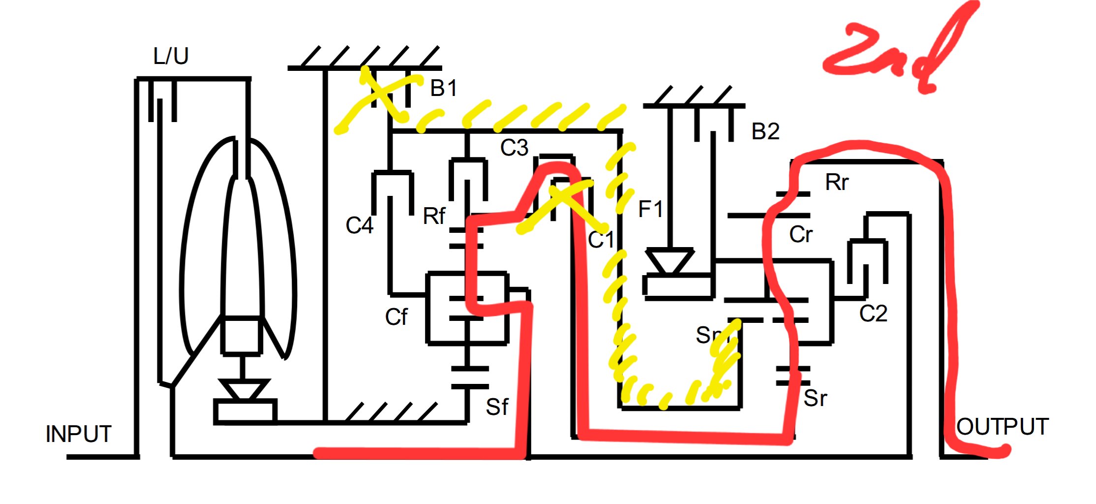
In second gear, torque goes through Cf > Rf > C1 > Sr > Pr > Cr > Pm > Rr. The middle sun gear (Sm) is braked, which forces the rear planet carrier (Cr) to turn when torque goes through the rear sun gear (Sr).

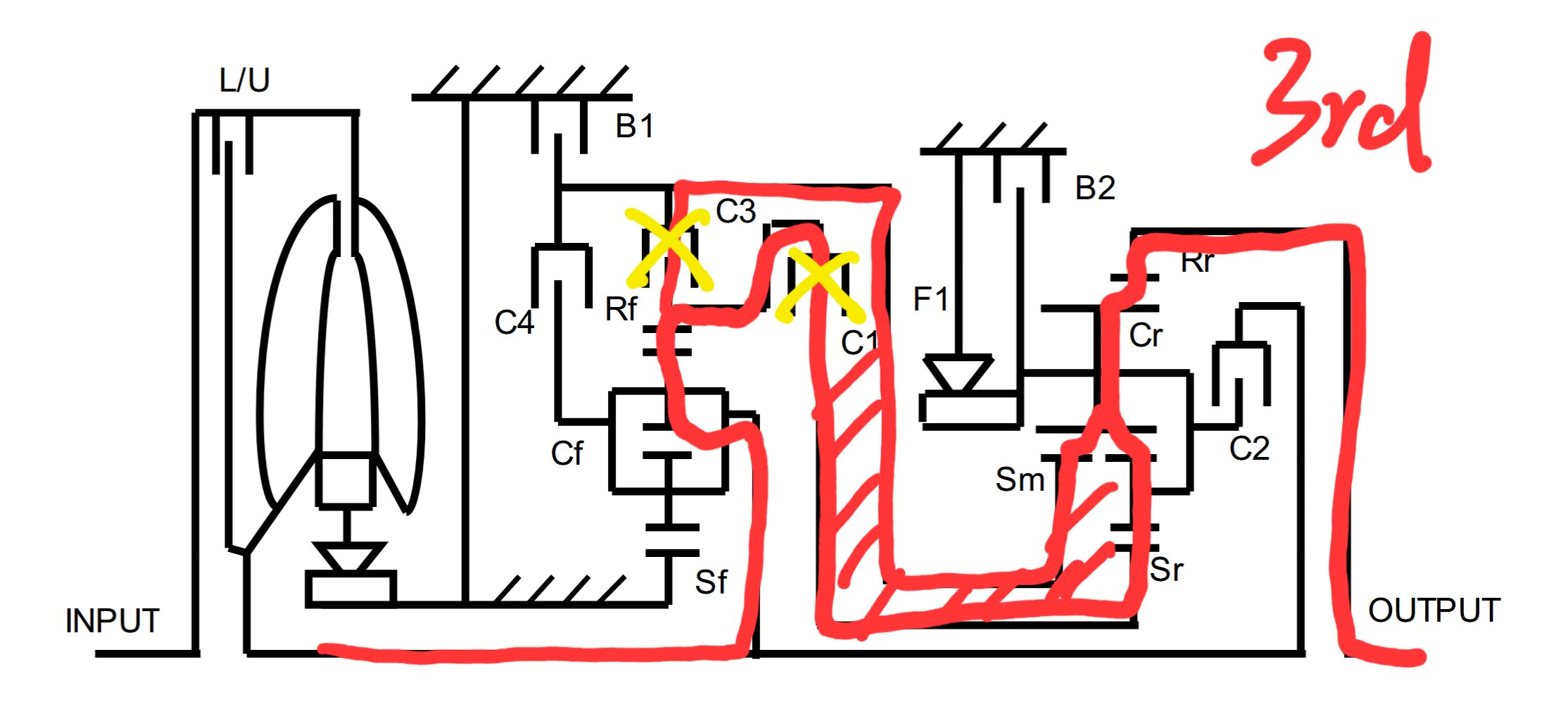
In the third gear, torque goes through Cf > Rf > C1/C3 > Sm/Sf > Cr > Rr. The middle and rear sun gears (Sm and Sr) turn at the same speed. Therefore, the rear gearset turns as a unit. The only gear reduction comes from the front planetary gearset.

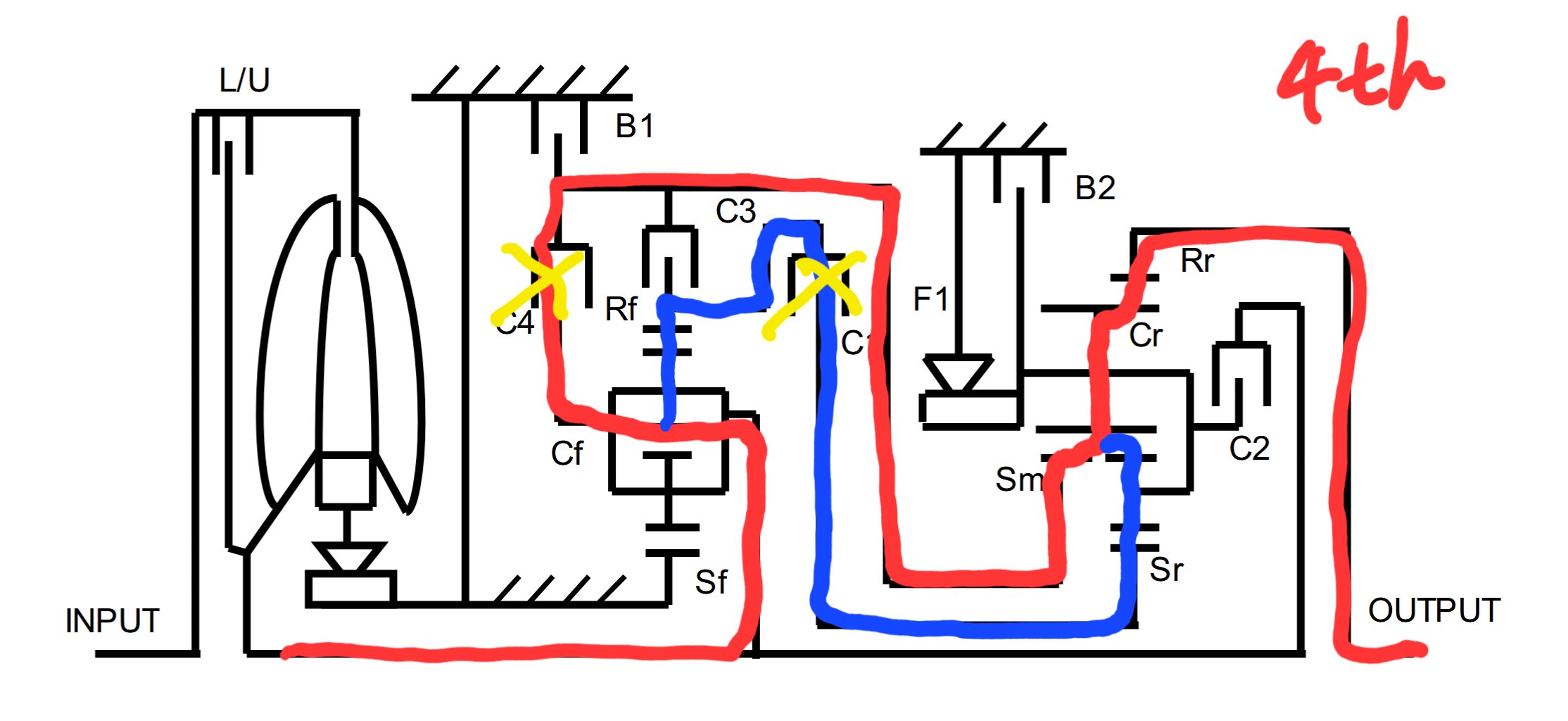
In the fourth gear, torque goes through Cf > C4 > Sm > Pm > Rr. Because C1 is also engaged, Rf > C1 > Sr > Pr also turn, but at a slower speed due to the gear reduction in the front planetary gearset. The turning of the rear planet carrier (Cr) partly cancels this difference, resulting in a new gear ratio.

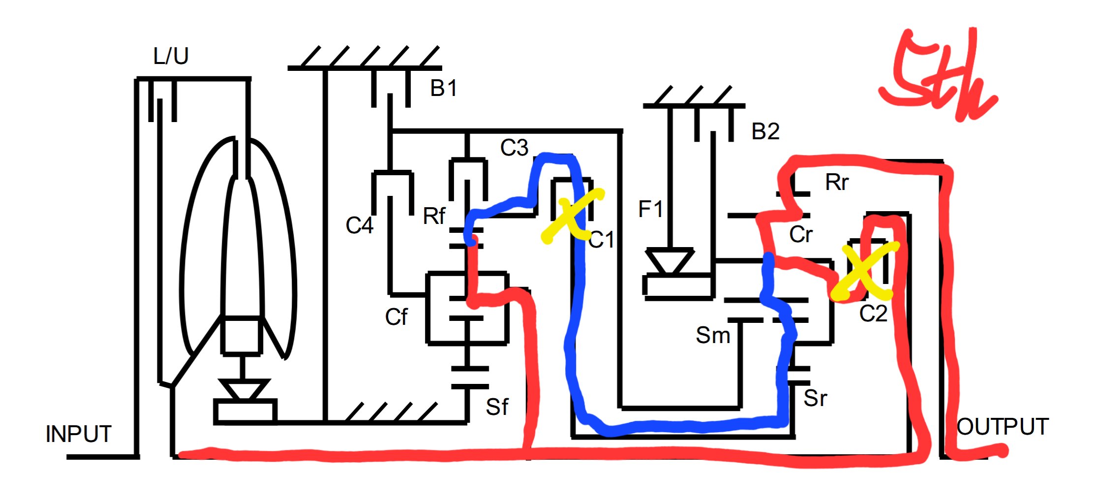
In the fifth gear, torque goes through C2 > Cr > Pm > Rr. Because C1 is also engaged, Rf > C1 > Sr > Pr also turn, but at a slower speed than the rear carrier (Cr). It is conceptually similar to 4th, but with a different gear ratio.

In the sixth gear, torque goes through both C2 > Cr > Rr and Cf > C4 > Cr > Rr. None of the gears turn. There is no gear reduction (direct drive).

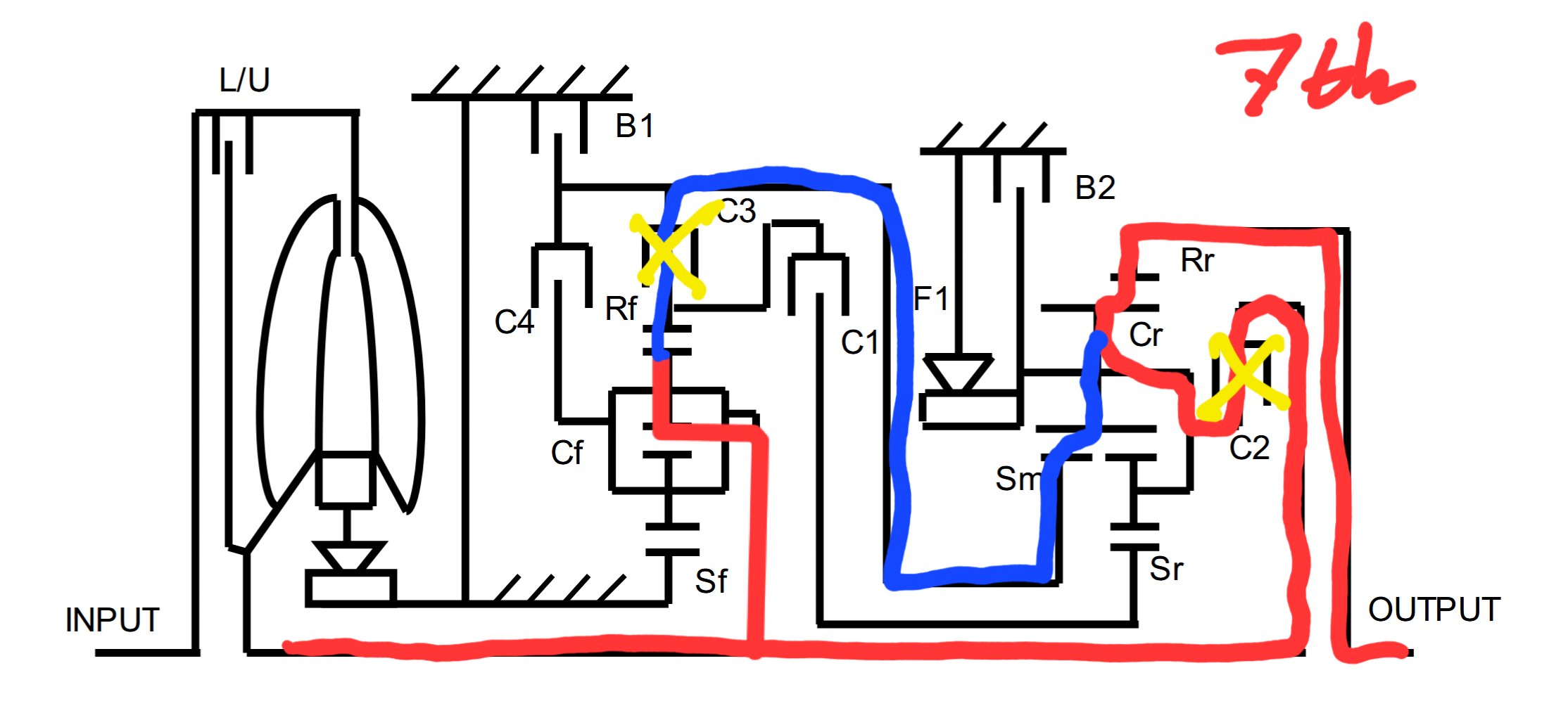
In the seventh gear, torque goes through C2 > Cr > Pm > Rr. Because C3 is also engaged, Rf > C3 > Sm also turn, but at a lower speed than rear carrier (Cr). This allows the middle pinon (Pm) to turn slower than it would have.

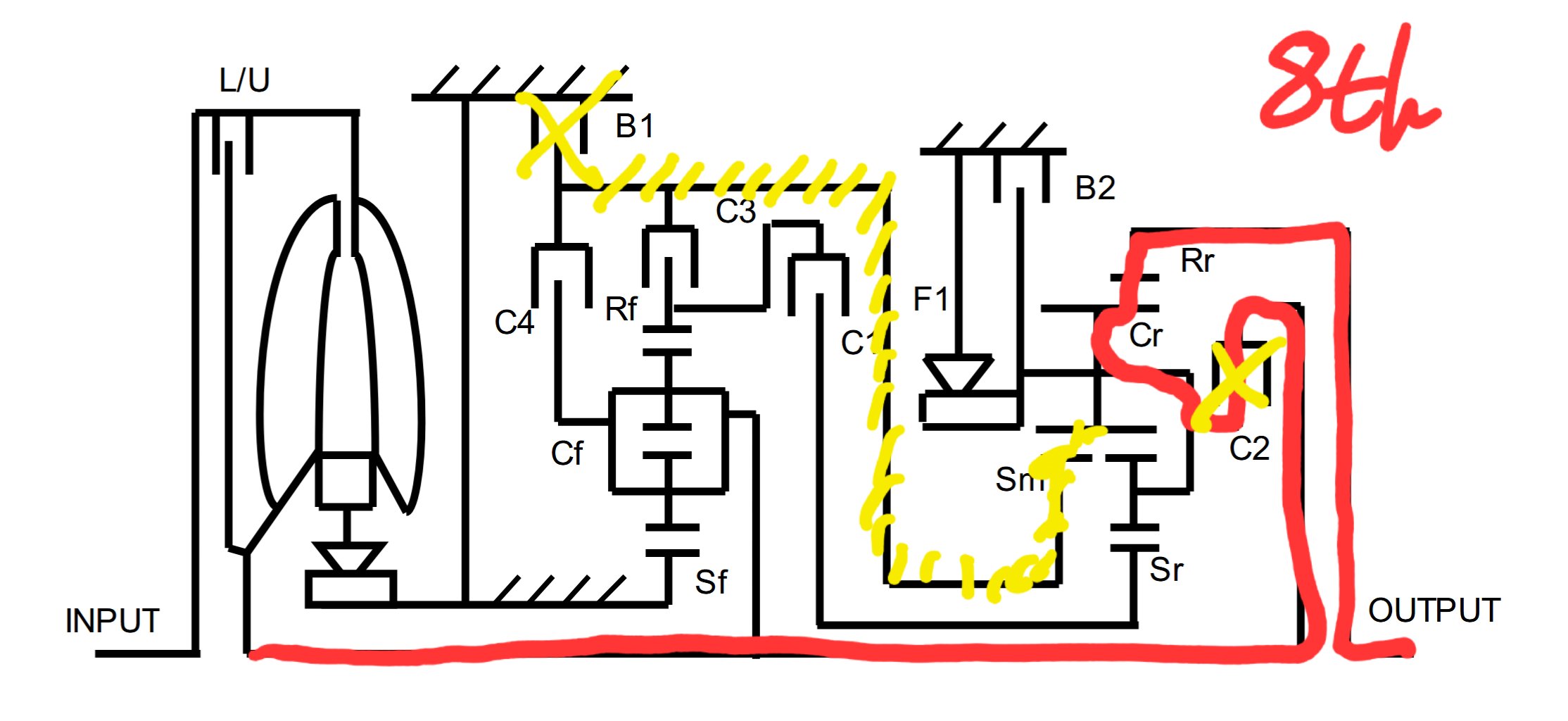
In the eighth gear, torque goes through C2 > Cr > Pm > Rr. Because B1 brakes middle sun gear (Sm), this forces the middle pinon (Pm) to turn faster than in 7th.
Overall, 1st, 2nd, and 3rd are the classic Ravigneaux gear ratios. The more interesting are the higher gears, which can be seen as variations to the Ravigneaux overdrive.



